歡迎光臨上海民恩電氣有限公司!
產品中心
PRODCTS
專業從事EMI/EMC電源濾波器的研發
/uploadfiles/image/202204/140.jpg /uploadfiles/image/202204/138.jpg /uploadfiles/image/202204/139.jpg /uploadfiles/image/202204/137.jpg /uploadfiles/image/202204/141.jpg
ME920系列變頻器專用輸入EMC濾波器
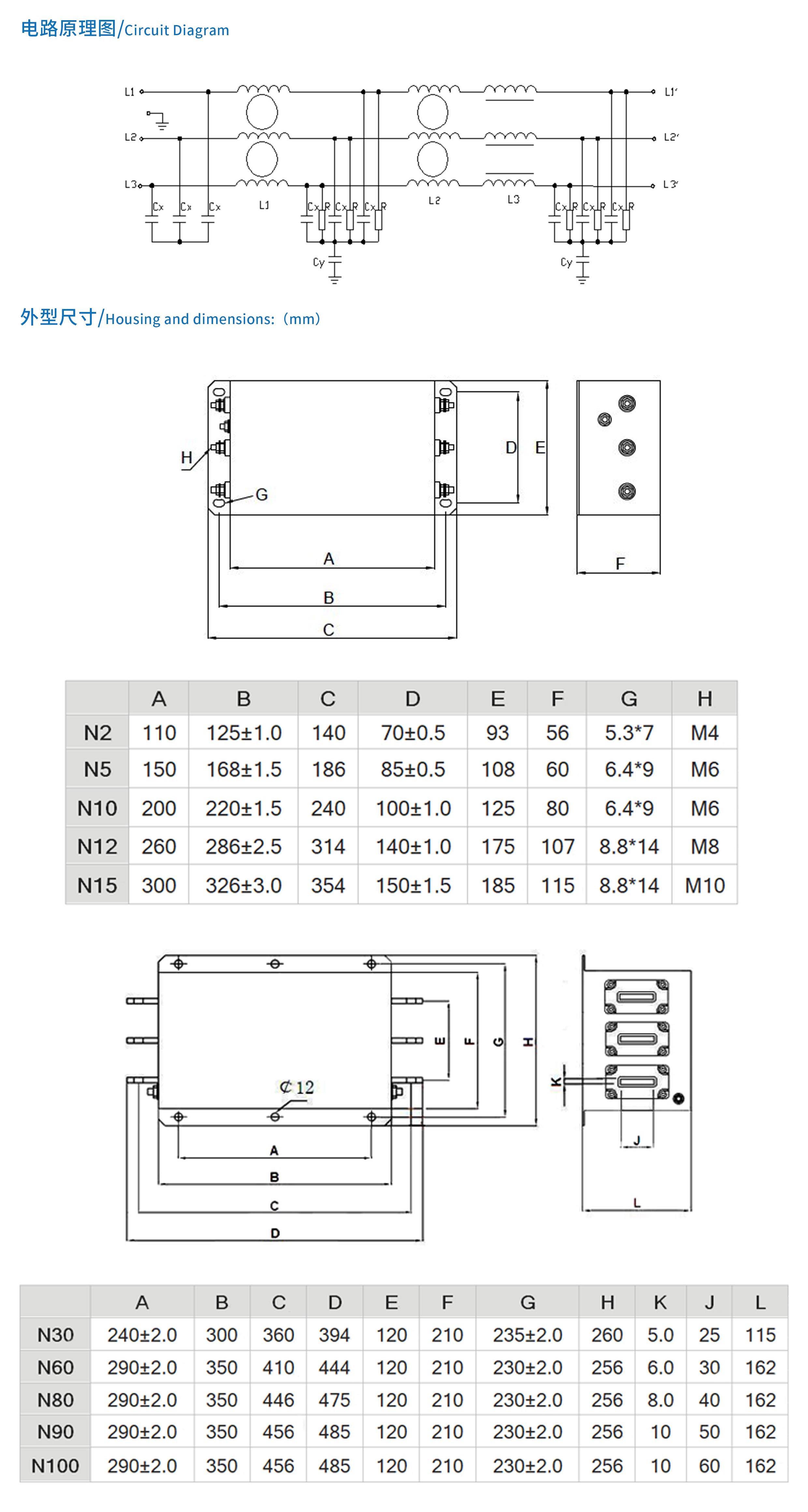
額定電壓:
380/440VAC
額定電流:
5~3000A
產品優勢:
適用于干擾較為嚴重的場合,電力電子、電力驅動、數控機床、變頻裝置、伺服驅動裝置、逆變類設備等。
應用設備:
基于變頻器工作時輸入端對電網及PLC、DCS系統等數字設備產生干擾的領域而專門設計。較好的共模和差模抑制能力,可有效抑制變頻器、伺服驅動器等設備對外界的傳導干擾,保證周邊設備的正常運行;標準匹配國內外多種低壓變頻器。

產品介紹

在線咨詢